用途:
WG型系列刮沫機用于各種矩形氣浮池的刮沫和撇渣。分成鏈板式(適用于池寬小于5米)和行車式(適用于池寬大于4米)兩類。
型號意義:
特點:
鏈板式刮沫機主要由減速機,傳動裝置,刮板,主從動軸,鏈條及鏈條托架組成。結構簡單,使用方便,性能穩定。減速機可調速或定速。
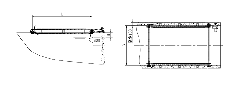
行車式刮沫機主要由行車梁、撇渣裝置、驅動裝置、電氣控制裝置、導軌及撞塊等幾個部分組成。本機工作時將液面所有浮渣由池子的一端刮到池子的另一端,行車通過行程開關自動換向運行;但在行車換向、依靠池壁的導程板,是裝有導輪的刮板抬起,行車開始空載運行。當返回到終點時,又依靠碰撞擋塊,是刮板落下,行車又繼續進行刮沫和撇渣。

型號
modle |
功率(KW)
power |
規格尺寸(m)
Dimension |
刮渣機
Slag scraper |
池寬B
Pool width |
L |
H |
WG-0.8 |
0.25 |
0.8 |
2.O |
0.15 |
WG-1.0 |
0.37 |
1 |
4 |
0.2 |
WG-1.5 |
0.55 |
1.5 |
4 |
0.2 |
WG-2.0 |
0.75 |
2 |
4 |
0.2 |
WG-3.0 |
0.75 |
3 |
4 |
0.2 |
WG-4.0 |
1.1 |
4 |
4.5 |
0.4 |
WG-5.0 |
1.5 |
5 |
5 |
0.4 |